Descrizione
Lavello Franke BXX 210-68 TL Semifilo/Filotop 72 x 51 – Inox Satinato: Funzionalità e Design d’Altissimo Livello per la Tua Cucina
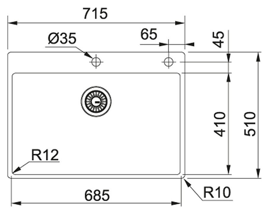
DIMENSIONI:
Base: 80
Lunghezza totale: 715 mm
Larghezza totale: 510 mm
Lunghezza vasca: 685 mm
Larghezza vasca: 410 mm
Profondità vasca: 200 mm
Foro incasso: 695×490 mm
Vasca installabile su top a partire da 12 mm
CARATTERISTICHE:
Troppo pieno perimetrale
Cestello Premium
Vasca a raggio 12
Bordo Semifilo/Filotop
Acciaio AISI 304 18/10
Sistema Fast-Fix
Salterello rotante
Gruppo di scarico
Sifone
ACCESSORI OPZIONALI:
Vaschetta inox 112.0394.981
Tagliere in legno 112.0539.134
Tagliere Hygenia 112.0539.120
Rollmat – 112.0080.355
Andy Chef 112.0619.946
Tagliere legno – 112.0557.028
Griglia salvagraffio grande – 112.0632.195
Dissipatore Franke TE50 (134.0500.617) o TE75 (134.0500.618): facilita lo smaltimento dei rifiuti umidi
Kit sigillante (112.0067.887) per installazione filotop
Franke Box: Design e Funzionalità Senza Compromessi
La serie Franke Box è progettata con attenzione ai dettagli, offrendo una combinazione di estetica di alto livello e funzionalità avanzata.
Salterello rotante: Comando remoto rotante per l’apertura e la chiusura dello scarico. Verificare la presenza di un secondo foro.
Sistema Fast-Fix: Sistema di fissaggio brevettato che consente di installare le vasche in totale ergonomia, in modo rapido e semplice.
Vasche Inox – La Qualità Prima di Tutto
Franke attribuisce grande importanza alla qualità dei materiali utilizzati. L’acciaio AISI 304 18/10, prodotto in Italia ed Europa, riflette un impegno decennale verso la qualità.
Resistente: L’acciaio AISI 304 18/10, grazie alla concentrazione di nichel e cromo, offre notevole resistenza alle temperature estreme e mantiene nel tempo le sue funzionalità.
Funzionale: L’acciaio inox è igienico e sicuro, ideale per la cucina grazie alla sua superficie priva di pori, facile da pulire.
Di facile manutenzione: Richiede pochi gesti quotidiani per preservare la piacevolezza di utilizzo nel tempo.
Sostenibilità: Un Impegno Costante di Franke
Franke si impegna per una gestione sostenibile dell’intera filiera, sia dal punto di vista ambientale che sociale, per uno sviluppo che si mantenga nel tempo.
Prodotti e servizi: Processi che consentono una facile separazione dei componenti del prodotto per garantirne l’eventuale riutilizzo o smaltimento. Priorità a componenti realizzati con materiali riciclabili.
Produzione: Riduzione dell’impatto ambientale con l’uso efficiente dell’energia, il contenimento delle emissioni di CO2, la riduzione del consumo di acqua e lo smaltimento dei rifiuti.
Con il Lavello Franke BXX 210-68 TL, aggiungi eleganza e funzionalità alla tua cucina, sperimentando l’eccellenza in ogni dettaglio.






